Đáp án & giải thích DGNL đề full
Đề ôn tập ĐGNL ĐHQG TP.HCM năm 2025 - Mã đề 05

DOL THPT
Mar 27, 2026
Đề ôn tập ĐGNL ĐHQG TP.HCM năm 2025 - Mã đề 05 được xây dựng dưới dạng thi thử trắc nghiệm online, giúp người học nắm rõ cấu trúc đề thi. Hệ thống sẽ chấm điểm ngay sau khi bạn làm xong bài, đồng thời cũng lưu lại lịch sử làm bài để bạn dễ theo dõi lộ trình luyện tập, đồng thời đưa ra đáp án giải thích chi tiết và tải file PDF đề thi miễn phí.

Đề ôn tập ĐGNL ĐHQG TP.HCM năm 2025 - Mã đề 05
Download PDF
Miễn phí dowload
Câu hỏi đề bài
3 Phần
Phần 1. Ngôn ngữ
Tiếng Việt:
Phần này có 30 câu hỏi từ 1 - 30
Đọc đoạn trích sau và trả lời câu hỏi:
"Nửa đêm hôm ấy, Thạch Sanh đang lim dim đôi mắt thì Chằn tinh sau miếu hiện ra, nhe nanh giơ vuốt định vồ lấy chàng. Thạch Sanh với lấy búa đánh lại. Chằn tinh hóa phép thoắt biến, thoắt hiện, nhưng Thạch Sanh không núng, chàng cũng giở phép tấn công liên tiếp. Chỉ một lúc sau, yêu quái bị lưỡi búa của chàng xả làm đôi, hiện nguyên hình là một con trăn lớn. Chàng vội chặt lấy đầu và nhặt bộ cung tên bằng vàng của yêu quái xách về."
(Truyện cổ tích Việt Nam, Thạch Sanh)
Trong đoạn trích, điều nào sau đây không phù hợp với phong cách ngôn ngữ của truyện cổ tích?
Chằn tinh thoắt biến, thoắt hiện, thể hiện sự huyền bí.
Thạch Sanh dùng lưỡi búa tiêu diệt Chằn tinh và nhặt cung tên vàng.
Thạch Sanh sử dụng chiến thuật hiện đại để đánh bại yêu quái.
Sự đối đầu giữa người anh hùng và yêu quái mang tính phi thường.
Đọc đoạn trích sau và trả lời câu hỏi:
"Vào một buổi sáng tháng tư đẹp trời, Guiliano nhận được tin có một tên nom có vẻ khả nghi, có thể là lính kín lắm. Gã cứ dò la để xin “đăng lính” cho Guiliano. Gã ngồi chờ ở quảng trường trung tâm thị trấn Montelepre. Guiliano phái Terranova và bốn tay anh em nữa đi thẩm tra. Nếu coi bộ xài được thì dắt về. Nếu là cớm, là lính kín chơi trò khổ nhục kế thì cứ việc khử luôn."
(Mario Puzo, Sicily - Miền đất dữ)
Hành động của Guiliano trong đoạn trích phản ánh điều gì về bối cảnh xã hội mà nhân vật đang sống?
Một xã hội đầy rẫy sự nghi kỵ và bạo lực, nơi các mối đe dọa luôn rình rập.
Một xã hội có tổ chức nghiêm ngặt, nơi mọi người tuân thủ mệnh lệnh một cách tuyệt đối.
Một xã hội coi trọng lòng trung thành và sự tin tưởng trong các mối quan hệ.
Một xã hội lấy việc trừng phạt làm công cụ duy nhất để giải quyết xung đột.
Đọc đoạn trích sau và trả lời câu hỏi:
"Tối đó, nàng bồn chồn, đứng ngồi chẳng yên chỉ mong chóng tới khuya đặng báo tin lành này cho Tú Trung. Nàng chờ khuya rồi mới tắt đèn tối hù đoạn buông tấm vải trắng dọc theo mặt tiền nhà đoạn về nằm trên giường quấn châm vào khúc dây nối liền với tấm vải trắng dùng để kéo Tú Trung lên. Đêm đó, khi tiếng mõ từ xa vẳng lại được một lát thì cái dây giựt mạnh. Thục Ngọc chồm dậy xỏ chân vô hài rồi chạy lại nắm đầu tấm vải trắng, hơi nhún chân để lấy đà kéo mạnh. Một kéo, hai kéo rồi ba bốn kéo... một bóng đem bước vội qua thành cửa sổ. Thục Ngọc kéo thêm một sải nữa tấm vải trắng chạy tuột hẳn vô trong lầu, tòn ten bên cạnh bóng đen. Thục Ngọc khẽ cất tiếng gọi như để hướng dẫn người tình trong đêm tối... Tú Trung, đúng bóng đen ấy là Tú Trung, cứ yên lặng theo đúng ước hiệu bình tĩnh mà bước tới."
(Nguyễn Văn Thúy, Bao công xử án)
Trong đoạn trích, chi tiết “Thục Ngọc kéo thêm một sải nữa tấm vải trắng chạy tuột hẳn vô trong lầu, tòn ten bên cạnh bóng đen” cho thấy điều gì về cách tác giả xây dựng không gian câu chuyện?
Không gian tĩnh lặng, đầy căng thẳng được tạo ra qua các hành động tỉ mỉ và chi tiết.
Không gian bí ẩn, gợi sự hồi hộp với những âm thanh và hình ảnh mờ nhạt trong bóng tối.
Không gian kịch tính, sử dụng các yếu tố bất ngờ để đẩy cao trào của câu chuyện.
Không gian lãng mạn, gắn liền với những biểu tượng của tình yêu trong đêm khuya.
Đọc đoạn thơ dưới đây và trả lời câu hỏi:
"Sinh có nhân thân,
Ấy là hoạ cả;
Ai hay cốc được,
Mới ốc là đã.
Tuần này mà ngẫm,
Ta lại xá ta;
Đắc ý cong lòng,
Cười riêng ha hả."
(Trần Nhân Tông, Đắc thú lâm tuyền thành đạo ca)
Xác định thể loại của đoạn trích?
Phú.
Kinh thi.
Cổ phong (cổ thể).
Đường luật.
Đọc đoạn trích và trả lời câu hỏi:
"Rồi Mai kể cho Lộc nghe hết mọi việc đã xảy ra dòng dã trong sáu năm trời từ khi hai người xa cách. Giọng Mai bình tĩnh ôn tồn, có khi cô làm ra tự nhiên, để thuật lại từng mẩu đời ký vãng. Nhưng tới nhiều đoạn, Mai cảm động quá phải ngừng lại, hoặc vờ cúi xuống cái gắp than cời củi, hoặc đưa ngầm vạt áo quay ra phía sau lau nước mắt. Còn Lộc thì trong lòng tê tái, chàng cũng không khóc được mà cũng không nói được câu gì. Cổ chàng khô ráo mà tim chàng như ngừng đập. Tựa người không hồn, chàng ngồi nghe Mai nói, giọng nói đều đều, se sẽ. Thỉnh thoảng chàng hối hận quá, chàng buông tiếng thở dài não ruột. Gặp đoạn Mai kể lể lòng thương mến đối với kẻ xa xôi, thì chàng lại càng hối hận. Nhưng đây sự hối hận đi liền với cảm giác sung sướng, êm đềm. Một lần chàng như điên cuồng, rùng mình, hai tay nắm chặt lấy bàn tay Mai. Và thì thầm chàng nói: - Em tha lỗi cho anh, em thương hại anh, anh khổ sở lắm."
(Khái Hưng, Nửa chừng xuân)
Trong đoạn văn trên, ý nào sau đây không đúng với nội dung được đề cập?
Mai kể lại cho Lộc nghe toàn bộ những sự việc xảy ra trong sáu năm xa cách.
Có lúc Mai phải dừng lại giữa chừng để che giấu cảm xúc của mình.
Lộc cảm thấy hối hận và khổ sở khi nghe Mai kể chuyện.
Giọng nói của Mai luôn đều đều và không bị cảm xúc chi phối.
Đọc đoạn trích sau và trả lời câu hỏi:
"Đến khoảng nửa triệu năm về trước, hóa thạch người đã khác với các bộ xương Homo erectus cổ hơn ở chỗ sọ lớn hơn, tròn và ít góc cạnh hơn. Sọ người châu Phi và người châu Âu cách đây nửa triệu năm khá giống sọ người hiện đại chúng ta nên được xếp vào loài Homo sapiens thay vì Homo erectus. Sự phân biệt này là võ đoán, bởi Homo erectus đã tiến hóa thành Homo sapiens. Tuy nhiên, những người Homo sapiens xa xưa đó vẫn còn khác với chúng ta ở các chi tiết xương, sọ nhỏ hơn nhiều so với chúng ta, và khác biệt khá nhiều so với chúng ta ở công cụ chế tác và hành vi. Các dân tộc dùng công cụ bằng đá ở thời hiện đại, chẳng hạn như cụ tổ mấy đời của Yali, hẳn sẽ khinh miệt gọi những công cụ bằng đá cách đây nửa triệu năm đó là quá sức thô sơ. Thứ duy nhất đáng kể khác được bổ sung vào gia sản văn hóa của con người thời đó, mà chúng ta có thể khẳng định chắc chắn, là việc dùng lửa."
(Jared Diamond, Súng, Vi Trùng Và Thép)
Theo đoạn trích, điều gì được coi là “thứ duy nhất đáng kể khác được bổ sung vào gia sản văn hóa” của con người cách đây nửa triệu năm?
Sự xuất hiện của các công cụ đá tinh xảo hơn.
Việc sử dụng lửa trong đời sống hàng ngày.
Sự tiến hóa của Homo erectus thành Homo sapiens.
Sự thay đổi về kích thước và hình dạng của hộp sọ.
Điền từ thích hợp vào các chỗ trống trong đoạn thơ sau:
"Sông Hồng chảy xiết cuốn dòng,
Chiều buông nắng nhạt, cánh ______ nhấp nhô.
Đò ngang vắng bóng ai chờ,
Khói sương mờ phủ bến bờ ______ thu.
Lặng lẽ trăng lặn đồi xa,
Người đi biệt bóng, tiếng gà gáy vang.
Nhớ ngày áo trắng thề ngang,
Bóng chim tăm cá mơ màng chân mây.
Trông về quê cũ hao gầy,
Người thương bóng đã mờ phai tháng ngày."
(Nguyễn Trãi, Dòng Nước Thu)
Chim/ lạnh.
Sóng/ chiều.
Chim/ vàng.
Lá/ mờ.
Đọc đoạn trích sau và trả lời câu hỏi:
"Máu theo tiếng kêu vỡ khàn tuôn ra từ những vết thương, máu nhuộm chỗ nằm nóng bỏng. Tạo cúi xuống, run tay quấn một cách tuyệt vọng dải băng trắng – lấy từ túi cứu thương cá nhân của cô phóng viên – quanh ngực nạn nhân, rồi chậm rãi cọ xát hai bàn tay gỡ từng mảnh máu khô với nỗi buồn muộn màng, khó tả."
(Mường Mán, Sáu Giang Hồ Và Những Mảnh Đời Phiêu Dạt Khác)
Thành phần “lấy từ túi cứu thương cá nhân của cô phóng viên” là thành phần gì trong câu?
Thành phần biệt lập.
Vị ngữ.
Bổ ngữ.
Định ngữ.
Đọc đoạn trích sau và trả lời câu hỏi:
"Zuckerberg chắc chắn đúng khi than vãn về sự đổ vỡ của các cộng đồng. Thế nhưng vài tháng sau khi Zuckerberg trịnh trọng đưa ra lời tuyên bố của mình, đúng lúc cuốn sách này chuẩn bị in, thì vụ bê bối Cambridge Analytica hé lộ việc các dữ liệu được tin cậy trao cho Facebook đã bị các bên thứ ba thu thập và sử dụng để thao túng các cuộc bầu cử ở khắp nơi trên thế giới. Điều này đã biến những lời hứa hẹn cao siêu của Zuckerberg thành trò hề và làm lòng tin của công chúng vào Facebook vỡ vụn. Ta chỉ có thể hy vọng rằng trước khi xắn tay xây dựng các cộng đồng người mới, Facebook đầu tiên phải tự cam kết bảo vệ quyền riêng tư và an ninh của các cộng đồng đã có sẵn."
(Yuval Noah Harari, 21 Bài Học Cho Thế Kỷ 21)
Tác giả Yuval Noah Harari muốn nhấn mạnh điều gì khi đề cập đến vụ bê bối Cambridge Analytica trong đoạn trích?
Facebook đã mất đi lòng tin của cộng đồng vì không bảo vệ được dữ liệu cá nhân.
Các cộng đồng mới do Facebook xây dựng có nguy cơ lặp lại các vấn đề cũ.
Việc các bên thứ ba lợi dụng dữ liệu người dùng để thao túng bầu cử là điều không thể tránh khỏi.
Trách nhiệm bảo vệ quyền riêng tư và an ninh dữ liệu cần được đặt lên hàng đầu trước khi phát triển các cộng đồng mới.
"Buổi sáng, thật may mắn, trời trong xanh và nắng dịu. Tiếng chim ríu rít trên cành, có vẻ như, đang chào đón một ngày mới đầy sức sống. Xa xa, những đám mây trắng bồng bềnh trôi, dường như, chúng cũng đang thong thả tận hưởng bầu không khí trong lành."
Trong câu “Buổi sáng, thật may mắn, trời trong xanh và nắng dịu.”, cụm từ “thật may mắn” là thành phần biệt lập gì?
Thành phần gọi - đáp.
Thành phần phụ chú.
Thành phần tình thái.
Thành phần cảm thán.
Đọc đoạn trích sau và trả lời câu hỏi:
"Đức Khổng Tử ra chơi ngoài đồng, thấy một người đàn bà đứng khóc nỉ non ở chỗ bờ đầm. Đức Khổng Tử lấy làm lạ, bảo học trò hỏi vì cớ gì mà khóc.
- Người đàn bà nói: Độ trước tôi cắt cỏ thi, tôi đánh mất cái trâm cài đầu bằng cỏ thi, cho nên tôi khóc.
- Đức Khổng Tử hỏi: Đi cắt cỏ thi, mà mất cái trâm bằng cỏ, thì việc gì mà phải khóc?
- Người đàn bà nói: Không phải vì tôi đánh mất cái trâm cỏ thi mà tôi khóc; tôi sở dĩ khóc, là tôi thương tiếc một vật cũ, dùng đã lâu, mà ngày nay không sao thấy được nữa."
(Nguyễn Văn Ngọc & Trần Lê Nhân, Cổ học tinh hoa)
Qua đoạn trích, ý nghĩa sâu sắc nhất mà câu chuyện người đàn bà mất trâm cỏ thi muốn truyền tải là gì?
Tình cảm sâu đậm đối với những vật cũ gắn bó lâu dài trong cuộc sống.
Sự tiếc nuối dành cho những điều đã qua, không thể tìm lại.
Tầm quan trọng của việc trân trọng những gì mình đang có.
Tâm lý con người thường gắn bó với những kỷ niệm hơn giá trị vật chất.
Dựa vào đoạn trích sau:
"Trong một trận đấu bóng đá, tinh thần quyết tâm là yếu tố cần thiết, nhưng nếu cầu thủ quá hăng máu, họ có thể mắc sai lầm nghiêm trọng, dẫn đến những tình huống không đáng có. Đội trưởng đội A, vì quá quyết tâm bảo vệ khung thành, đã lao vào một pha bóng không cần thiết, dẫn đến việc phạm lỗi và bị trọng tài phạt thẻ đỏ. Tình huống này làm đội mất đi lợi thế và rơi vào thế phòng ngự suốt trận đấu. Đúng là “Cả gió tắt đuốc,” hành động mạnh bạo đôi khi không giúp ích mà còn gây ra hậu quả nặng nề. Nếu anh giữ được bình tĩnh và xử lý khéo léo hơn, đội bóng đã không gặp bất lợi và có thể giành chiến thắng. Thành ngữ này là lời nhắc nhở rằng, trong bất kỳ tình huống nào, sự điều độ và tỉnh táo luôn quan trọng hơn việc hành động bộc phát."
Thành ngữ “Cả gió tắt đuốc” thường được sử dụng để nhắc nhở về điều gì?
Hành động quá mạnh bạo hoặc nóng vội có thể dẫn đến hậu quả ngược lại với mong muốn.
Cần phải quyết liệt và dứt khoát trong mọi tình huống để đạt được kết quả tốt.
Sự thận trọng quá mức có thể làm lỡ cơ hội và gây ra thất bại.
Hãy tận dụng tối đa sức mạnh và cơ hội để đạt được thành công nhanh chóng.
Nhóm từ nào sau đây đúng chính tả?
Cắc cớ, loằng ngoằng, khăng khít, nức nở.
Cắc cớ, ngoằng ngoằng, khăng khít, nức nở.
Cắc cớ, loằng ngoằng, khăn khít, nức nở.
Cắc cớ, loằng ngoằng, khăng khít, nức nỡ.
Câu nào sau đây viết sai chính tả?
Đàn chim đang chao liệng trên bầu trời xanh trong.
Anh ấy bước đi thận trọng, ánh mắt dò xét mọi thứ xung quanh.
Cô gái ngồi lặng yên, đôi tay đan vào nhau một cách e thẹn.
Dáng điệu chao lượn của cánh diều làm mọi người thích thú.
Xác định từ sai ngữ nghĩa trong câu sau: “Bỗng dưng những giọt nước mắt nóng hổi, từ hai hốc mắt sâu cay vì thức đêm, trào ra...”
Nóng hổi.
Hốc mắt.
Sâu cay.
Gương mặt.
Câu nào dưới đây mắc lỗi thiếu chủ ngữ?
Để hoàn thành được mục tiêu này, cần sự nỗ lực không ngừng nghỉ từ tất cả mọi người trong nhóm.
Dù đã cố gắng hết sức nhưng kết quả cuối cùng vẫn khiến nhiều người thất vọng.
Những lời nói đầy cảm hứng, động viên cả lớp vượt qua kỳ thi khó khăn.
Vì mưa lớn kéo dài từ đêm qua đến sáng nay, nhiều con đường đã ngập nước.
Câu nào dưới đây mắc lỗi thiếu vị ngữ?
Những giọt sương trên lá vào buổi sớm, long lanh và đẹp đến lạ thường.
Trong phòng khách, mọi thứ được sắp xếp gọn gàng, ngăn nắp.
Sau buổi họp, các thành viên trong nhóm đã đạt được sự đồng thuận.
Bức tranh treo trên tường, làm tăng thêm vẻ đẹp cho căn phòng.
Câu nào dưới đây sai hiện thực khách quan?
Những ngôi sao sáng nhất mà chúng ta thấy trên bầu trời đêm thực chất đã tắt cách đây hàng triệu năm.
Con người đã chế tạo máy dịch chuyển tức thời và đang thử nghiệm tại nhiều nơi trên thế giới.
Người Eskimo sống trong các ngôi nhà làm từ băng, gọi là igloo.
Những hố đen có lực hấp dẫn cực mạnh, không để ánh sáng thoát ra.
Trong câu: “Việc khai thác tài nguyên quá mức đã làm suy thoái các hệ sinh thái tự nhiên, đe dọa trực tiếp đến đa dạng sinh học và sinh kết của con người.” – từ nào sai?
Tài nguyên.
Suy thoái.
Đa dạng.
Sinh kết.
Câu nào dưới đây bị sắp xếp sai trật tự từ, dẫn đến ý nghĩa trở nên không tự nhiên hoặc mơ hồ?
Cuốn sách này tôi đã đọc xong vào tuần trước rất hay.
Trên cánh đồng, đàn cò trắng bay lượn dưới ánh nắng rực rỡ.
Chúng tôi cùng nhau vui vẻ dạo chơi công viên cuối tuần vừa qua.
Những món quà ý nghĩa thầy cô tặng chúng em nhân ngày 20/11.
Question 21 - 25
.Dựa vào thông tin dưới đây để trả lời các câu từ 21 đến 25:
"Có lẽ bạn sẽ cảm thấy vô cùng thoải mái Nếu được” xoa dịu” Và thậm chí còn không thể ý thức rằng mình đang “đùn đẩy” cho người khác, phụ thuộc vào người đó. Bởi vì khi đó, con người không tự đối mặt với vấn đề, không tự mình suy nghĩ, cũng không tự mình hành động. Đến đây tôi mong các bạn có thể nhận ra rằng nhờ cậy người khác và đùn đẩy cho họ tưởng như giống nhau nhưng thực ra lại là hai khái niệm riêng biệt. Mong muốn được ai đó “Xoa dịu” không đem lại cho bạn hướng giải quyết. Tôi đã lặp đi lặp lại điều đó nhiều lần, nhưng đương nhiên bạn vẫn có thể nhờ người khác giúp đỡ để giải quyết vấn đề không ai bắt bạn phải làm tất cả mọi việc cả. Trên đời này, đôi khi bạn không thể giải quyết mọi vấn đề mà chỉ dựa vào sức mình, tuy nhiên bạn tuyệt đối không được hoàn toàn ỷ lại vào họ thậm chí có những người còn muốn người khác giải quyết luôn vấn đề cho mình. ví dụ dụ bạn lên taxi và nói với tài xế: “anh có thể đưa tôi đến đâu đó không?”. Nếu bạn nói như vậy, có lẽ tài xế cũng không biết phải đáp thế nào. có thể người tài xế nào đó sẽ vui vẻ lái chầm chậm vòng quanh vài phút và cho bạn xuống ở nơi thích hợp. Tuy nhiên đó cũng chỉ là sự xoa dịu tạm thời. Trước khi lên xe, bạn nên suy nghĩ nơi mình muốn đến, bạn cần có định hướng cho mình: nhờ người khác giúp đỡ để vượt qua hay ỷ lại hoàn toàn vào người khác. Việc mong muốn được giúp đỡ và được xoa dịu hoàn toàn khác nhau. Trước đây có lần tôi cũng từng mong muốn được người khác giải quyết hộ tất cả mọi việc, nhưng một người thầy đáng kính đã khiến tôi thực sự bất ngờ."
(Mari Tamagawa, Mặc Kệ Thiên Hạ - Sống Như Người Nhật)
Theo tác giả, mong muốn được “xoa dịu” dẫn đến điều gì?
Giải quyết được vấn đề một cách triệt để.
Tìm ra được hướng giải quyết nhờ người khác.
Không tự đối mặt với vấn đề và phụ thuộc vào người khác.
Làm cho người khác cảm thấy thoải mái hơn.
Biện pháp tu từ nào được sử dụng trong câu: “Những vấn đề của bạn chẳng khác nào những ngọn núi lớn, nhưng nếu bạn không tự mình bước đi, ngọn núi ấy sẽ mãi mãi chặn đường.”
So sánh.
Nhân hóa.
Ẩn dụ.
Hoán dụ.
Ví dụ về việc “lên taxi và nói với tài xế: 'Anh có thể đưa tôi đến đâu đó không?'” nhằm mục đích gì?
Minh họa việc phụ thuộc vào người khác mà không có định hướng.
Giải thích cách tìm kiếm sự giúp đỡ từ người khác.
Chỉ ra sự lạc quan khi dựa vào người khác.
Đề xuất cách giải quyết vấn đề trong những tình huống khó khăn.
Cụm từ “xoa dịu tạm thời” trong đoạn văn có thể hiểu là gì?
Giải pháp ngắn hạn, không giải quyết vấn đề tận gốc.
Cách giúp đỡ thực sự hiệu quả từ người khác.
Sự hỗ trợ mang lại kết quả lâu dài.
Phương pháp giúp người khác cảm thấy yên tâm.
Qua đoạn văn, tác giả muốn khuyên bạn điều gì?
Hãy tự mình giải quyết mọi vấn đề mà không nhờ đến ai khác.
Tránh nhờ cậy sự giúp đỡ để không làm phiền người khác.
Chỉ dựa vào người khác khi bạn không có giải pháp nào khác.
Tìm kiếm sự giúp đỡ khi cần, nhưng không nên ỷ lại vào người khác.
Kết thúc nhóm câu Question 21 - 25
Question 26 - 30
.Dựa vào thông tin dưới đây để trả lời các câu từ 26 đến 30:
"Kì nghỉ hè vừa đến, anh em bạn học trong trường Đại học về nghỉ hề đã gần hết rồi, chỉ những học sinh mới chiếm bảng hay sắp đi thi, còn ở lại. Quang cảnh nhà trường lúc đó, có vẻ ủ ê mệt nhọc như người lao động bấy lâu bây giờ sắp thiu thiu ngủ, tựa bên gốc cây me, hay dưới bóng cây bàng, tránh ánh nắng trang trang mùa hạ. Trong các buồng mới rồi rộn rịp những tiếng cười đùa, những câu tranh luận, bây giờ đã im phăng phắc như đứng thở hơi, mấy bức tường vôi hình như đương thầm thì mới nhau những tính tình và cử chỉ của bạn thiếu niên mới về khỏi.
Trong những câu chuyện của bức tường, ta chỉ đoán mà không nghe được, chắc điều hay cũng lắm, điều dở cũng nhiều nhưng, cái dở, cái hay đều có vẻ thú, là cái thú của quãng đời niên thiếu ở nhà trường. Buổi thanh niên là buổi hăng hái, lúc trong mình khí huyết bừng bừng, tư tưởng đương như ngọn suối sa vời, chưa định, chắc hy vọng phải to, hy vọng to thì cái dở cái hay, trong khi tính đường cho lên đến hy vọng, phải mạnh như nhau cả.
Ký giả có chút việc riêng phải ở lại trường; lúc sang chơi bên buồng những bạn tân khoa ở thì thấy mấy bạn chí thân của kí giả là Lê Thanh Vân biệt hiệu là Đạm Thủy, đương soạn hòm để vinh quy, ký giả ngồi xem bạn soạn. Áo quần không dùng sắc gì rực rỡ, chỉ toàn là màu trắng với màu đen, những vật gì cần dùng đến màu thặm thì chỉ thấy màu vàng nhợt và màu da giời, thật có vẻ thanh đạm. Sách vở phần nhiều thuộc về khoa triết học, đại khái như tâm lý học, luân lý học, xã hội học... của Durkheim, Sư phạm khoa của Frébœl và Compayré v.v...và dễ thường đủ những bộ tiểu thuyết trứ danh của Bourget và Banes."
(Hoàng Ngọc Phách, Tố tâm)
Nội dung chính của đoạn trích là gì?
Tả cảnh thanh vắng của nhà trường khi kỳ nghỉ hè đến.
Miêu tả buổi chia tay của ký giả với bạn học trước khi rời trường.
Tái hiện những kỷ niệm và cảm xúc của tuổi thanh xuân trong nhà trường.
Giới thiệu sở thích, hành trang và tính cách của một người bạn trong trường.
Qua đoạn trích, cảnh vật nhà trường được miêu tả như thế nào khi kỳ nghỉ hè đến?
Rộn ràng tiếng nói cười của học sinh sắp rời trường.
Tĩnh lặng, hoài niệm như đang ghi lại dấu ấn của tuổi trẻ.
Đơn điệu, nhàm chán và thiếu sức sống khi học sinh đã về hết.
Buồn bã, thê lương như không còn sinh khí khi vắng bóng học trò.
Qua cách soạn đồ của bạn Đạm Thủy, điều gì được thể hiện về tính cách của anh?
Lãng mạn, bay bổng, yêu cái đẹp.
Giản dị, thanh đạm và yêu thích tri thức.
Năng động, thực tế, luôn chuẩn bị kỹ lưỡng.
Sâu sắc, trầm tư, đam mê triết học và tiểu thuyết.
Biện pháp tu từ nào được sử dụng trong câu: “mấy bức tường vôi hình như đương thầm thì mới nhau những tính tình và cử chỉ của bạn thiếu niên mới về khỏi”?
So sánh.
Nhân hóa.
Ẩn dụ.
Điệp từ.
Đoạn trích thể hiện thông điệp gì về tuổi thanh xuân?
Thanh xuân là khoảng thời gian gắn liền với những hoài bão và hy vọng to lớn.
Thanh xuân là giai đoạn khó khăn nhưng đầy sức mạnh để vượt qua thử thách.
Tuổi trẻ là sự hòa trộn giữa cái hay, cái dở, nhưng luôn để lại dư vị ngọt ngào.
Nhà trường là nơi lưu giữ những ký ức đẹp nhất của tuổi trẻ.
Kết thúc nhóm câu Question 26 - 30
Tiếng Anh:
Phần này có 30 câu hỏi từ 31 - 60
Question 31 - 35
.Choose a suitable word or phrase (marked A, B, C or D) to fill in each blank.
Women’s experiences are __________ different from men’s.
qualified
quality
qualitatively
qualification
My sister's been sick all week, and now I think I've __________ from her.
had a hot
caught a cold
had a sick
caught a sick
The theater was almost empty. There were very __________ people there.
few
a few
a little
little
The welfare system was set up to provide a safety ___________ for the poor.
net
record
feature
hazard
Go away! I want to be __________ alone.
left
leave
leaves
leaved
Kết thúc nhóm câu Question 31 - 35
Question 36 - 40
.Each of the following sentences has one error. Choose the part (A, B, C, or D) that is incorrect.
Researchers from McGill University found that babies seem to like listening to each other rather than to adults, that may be why baby talk is such a universal tool among parents.
to like
each other
that
among
When my family went to the park, we noticed that we have left our tickets at home.
When
went
noticed
have left
From the 1960s, an increasing number of critical thinkers began to question the assumption that the family is necessarily a beneficial institution.
number of
to
is
a
Contestants be advised! Sixty minutes are the maximum time allowed for the competition.
sixty minutes
are
time
allowed
I don’t think students who are timid in high school will continue to be shy throughout their lives, aren’t they?
don’t think
to be
throughout
aren’t they
Kết thúc nhóm câu Question 36 - 40
Question 41 - 45
.Which of the following best restates each of the given sentences?
The trip was called off due to an unexpected issue.
The trip lasted longer than expected.
Since there was an unexpected issue, the trip began early.
Because an unexpected issue occurred, the trip was canceled.
There wasn’t enough time to start the trip.
I didn’t mean to offend you.
Offending you was meaningless for me.
I had no intention of offending you.
It was meaningless of me to offend you.
What I offended you was meaningless.
"The sun rises in the east and sets in the west.” – said the teacher
The teacher said that the sun rises in the east and sets in the west.
The teacher said that the sun rose in the east and set in the west.
The teacher told that the sun rose in the east and set in the west.
The teacher wondered if the sun rises in the east and sets in the west.
Hugo is my friend. He is a neurologist.
Hugo, who is a friend of mine, is a neurologist.
Hugo is a neurologist, which is my friend.
Hugo, whose friend is mine, is a neurologist.
Hugo, whom friend is mine, is a neurologist.
I survived that traffic accident because I was wearing my helmet.
But for my helmet, I would have survived that traffic accident.
Had I not been wearing my helmet, I wouldn’t have survived that traffic accident.
Without my helmet, I could have survived that traffic accident.
If I weren’t wearing my helmet, I wouldn’t have survived that traffic accident.
Kết thúc nhóm câu Question 41 - 45
Question 46 - 52
.Read the passage carefully and choose an option (A, B, C, or D) that best answers each question from 46 to 52.
“Oskar Schindler, a German businessman, went to Krakow in October 1939 to take advantage of cheap Jewish labor and confiscated property. In January 1940 he acquired a Jewish-owned business that made enamel kitchenware and renamed it the Deutsche Emalwarenfabrik Oskar Schindler. It came to be known as Emalia. The factory was located at the edge of what would become the ghetto. Schindler employed Jews at the factory because they were much cheaper than Polish laborers, but his reasons for taking in more such workers evolved.
In the spring of 1942, the SS began to deport Jews from the Krakow ghetto. Schindler witnessed the brutality and bloodshed of the deportations and decided that he would do what he could to save his Jewish workers. That summer the Germans established the Plaszow slave labor camp near the ghetto. Jews as well as Polish prisoners were sent there to work in factories. In March 1943 the Germans emptied the ghetto, sending more than 2,000 inhabitants to Auschwitz. The remaining Jews were sent to Plaszow. Learning of the Germans’ plans for the liquidation of the ghetto, Schindler told his employees to stay at Emalia until the Aktion was over.
The violence of the liquidation and the worsening conditions at Plaszow led Schindler to take additional steps to protect his workers. He told Amon Göth, the commandant of Plaszow, that he wanted to transform Emalia into a sub-camp of Plaszow, complete with barracks for his Jewish workers. Göth agreed to the idea, in part because Schindler bribed him. The first transfer of Jews to the sub-camp took place in May 1943. By the summer of 1944, more than 1,000 Jews lived there. Schindler treated the workers relatively well and provided extra food rations that he bought on the black market.
As Soviet troops approached Krakow, Schindler was ordered to break up the Jewish subcamp at Emalia. The workers were to be sent back to Plaszow and then to other camps or killing centers. Schindler asked permission to set up a new armaments’ factory in Brünnlitz, located in German- occupied Czechoslovakia. He then arranged for nearly 1,100 Jews from Plaszow, some of whom had worked at Emalia, to be transferred to the new factory. On this list, he claimed, were “indispensable” workers. In the fall of 1944, the Jews were brought to the factory in Brünnlitz. The men were transferred from Gross-Rosen, and the women from Auschwitz. The Jews remained in Brünnlitz until the area was liberated by the Soviet army in May 1945.
After the war, Oskar Schindler escaped to the West. He died in October 1974 at the age of 66 and is buried in the Catholic cemetery in Jerusalem.”
(https://jfr.org/rescuer-stories/schindler-oskar/)
What is the passage mainly about?
Oskar Schindler’s life.
How Oskar Schindler saved the Jews.
The crimes of the SS in World War II.
How did Oskar Schindler become a successful businessman.
In paragraph 2, what is the word “liquidation” closest in meaning to?
eradication
liquefy
protection
conquest
In paragraph 1, what does the word “it” refer to?
a Jewish
a factory
kitchenware
a business
According to paragraph 2, what does the word “Aktion” refer to?
The liquidation of the ghetto
Emalia
Schindler’s learning of the German’s plan
The movement of the remaining Jews to Plaszow
According to the passage, what can be inferred about Oska Schindler?
He is a greedy businessman.
He is a member of the SS.
He is a humanitarian activist.
He is a Jew.
Why did Schindler bribe Amon Göth to establish a sub-camp at Emalia?
Because he wanted to expand his business and increase profits.
Because he needed Göth’s permission to protect his workers.
Because he wanted to replace Polish workers with Jewish workers.
Because the Germans ordered him to create a sub-camp.
What can be inferred about Schindler’s motivations for establishing a factory in Brünnlitz?
He wanted to produce weapons to support the German war effort.
He prioritized saving lives over following Nazi policies.
He wanted to avoid conflict with the German authorities.
He wanted to expand his operations to Czechoslovakia.
Kết thúc nhóm câu Question 46 - 52
Question 53 - 60
.Choose an option (A, B, C or D) that best answers each question from 53 to 60.
"TikTok, launched in 2016, has rapidly become one of the most popular social media platforms worldwide, especially among young people. The app allows users to create and share short videos with creative effects, music, and filters. While it provides an avenue for selfexpression and entertainment, its impact on young people is a subject of growing concern. Some argue that TikTok fosters creativity, while others worry about its potential for addiction and negative influence on mental health.
One major concern is the excessive time young people spend on TikTok. Studies show that users, particularly teenagers, often spend hours scrolling through videos. This overuse can lead to reduced productivity and a lack of focus on schoolwork or other responsibilities. Furthermore, some young users may feel pressure to create content that gains likes and views, leading to anxiety and self-esteem issues. The constant comparison to other users can further exacerbate these problems.
TikTok also influences trends and behaviors among the youth. Many viral challenges and dance routines originate on the platform, spreading quickly to millions of users. While som challenges are harmless, others can be risky or dangerous. For example, challenges that involve unsafe physical stunts have led to injuries among participants. Additionally, trends promoting unrealistic beauty standards can affect young people's body image and confidence.
On the other hand, TikTok has some positive effects. The platform has given a voice to marginalized communities, allowing them to share their stories and raise awareness about important issues. It has also become a source of educational content, with creators offering tips on studying, mental health, and life skills. Despite these benefits, the potential risks to young users’ well-being should not be overlooked.
Parents and educators play a crucial role in guiding young people on how to use TikTok responsibly. Setting time limits and discussing the content they consume can help mitigate the platform’s negative effects. It is essential to strike a balance between enjoying the app and maintaining mental and physical health."
What is the main idea of the passage?
TikTok’s impact on youth is both positive and negative.
TikTok encourages creativity and self-expression.
TikTok’s challenges are harmful to young people.
TikTok is the most popular platform among teenagers.
What does “it” in paragraph 1 refer to?
Social media
Entertainment
TikTok
Creativity
Why do some users experience anxiety from TikTok?
They spend too much time on the app.
They do not understand the content.
They fail to complete viral challenges.
They compare themselves to others on the platform.
What does “exacerbate” in paragraph 2 mean?
improve
worsen
remove
reduce
What can be inferred about TikTok’s influence on beauty standards?
It encourages confidence in young users.
It promotes unrealistic expectations.
It helps people accept their appearance.
It has no effect on young people’s self-esteem.
Why might TikTok trends sometimes lead to injuries?
Because users try to imitate risky challenges.
Because the app encourages dangerous behavior.
Because users are not creative enough.
Because users misunderstand the challenges.
What does “despite” in paragraph 4 mean?
because of
although
as a result of
while
What is the author’s attitude toward TikTok?
Completely supportive
Balanced but cautious
Highly critical
Indifferent
Kết thúc nhóm câu Question 53 - 60
Phần 2. Toán học
Một hộp chứa 7 bi xanh, 5 bi đỏ, 3 bi vàng. Xác suất để trong lần thứ nhất bốc được một bi mà không phải là bi đỏ là:
Biết
Cho hàm số
Cho hàm số

Hàm số có đúng hai cực trị.
Hàm số có điểm cực tiểu là
Hàm số có giá trị cực đại bằng
Hàm số đạt cực đại tại
Đường
Đường
Đường
Đường
Question 67 - 69
.Dựa vào thông tin đã cho trả lời các câu hỏi
Cho

Giá trị lớn nhất của hàm số trên đoạn
Không có giá trị lớn nhất
Hàm số đã cho đồng biến trên khoảng nào?
Đồ thị hàm số có cực đại tại điểm nào?
Kết thúc nhóm câu Question 67 - 69
Question 70 - 71
.Dựa vào thông tin đã cho trả lời các câu hỏi
Cho một cấp số cộng có
Công sai của cấp số cộng là gì?
Giới hạn của cấp số cộng khi
Không tồn tại.
Kết thúc nhóm câu Question 70 - 71
Question 72 - 73
.Dựa vào thông tin đã cho trả lời các câu hỏi
Một nhà sản xuất trung bình bán được 1000 tivi màn hình phẳng mỗi tuần với giá 14 triệu đồng một chiếc. Một cuộc khảo sát thị trường chỉ ra rằng nếu cứ giảm giá bán 500 nghìn đồng, số lượng tivi bán ra sẽ tăng thêm khoảng 100 tivi mỗi tuần.
Tìm hàm cầu của bài toán trên?
Công ty nên giảm giá bao nhiêu cho người mua để doanh thu là lớn nhất?
5 triệu đồng.
4,5 triệu đồng.
4 triệu đồng.
6 triệu đồng.
Kết thúc nhóm câu Question 72 - 73
Question 74 - 75
.Dựa vào thông tin đã cho trả lời các câu hỏi
Cho phương trình
Tổng các nghiệm của phương trình bằng
Tổng bình phương các nghiệm của phương trình bằng
Kết thúc nhóm câu Question 74 - 75
Question 76 - 77
.Dựa vào thông tin đã cho trả lời các câu hỏi
Ta có phương trình
Số nghiệm của phương trình là
Tổng bình phương các nghiệm của phương trình là
Kết thúc nhóm câu Question 76 - 77
Question 78 - 80
.Dựa vào thông tin đã cho trả lời các câu hỏi
Gieo hai con xúc xắc cân đối, đồng chất. Tính xác suất để tổng số chấm xuất hiện trên hai mặt bằng 7.
Tổng số chấm xuất hiện trên hai con xúc xắc bằng 7 nếu biết rằng ít nhất có một con xúc xắc xuất hiện mặt 5 chấm.
Có ít nhất có một con xúc xắc xuất hiện mặt 5 chấm nếu biết rằng tổng số chấm xuất hiện trên hai con xúc xắc bằng 7.
Tổng số chấm trên hai con xúc xắc bằng 7.
Kết thúc nhóm câu Question 78 - 80
Question 81 - 82
.Dựa vào thông tin đã cho trả lời các câu hỏi
Cho tứ giác
ABCD là hình bình hành nếu
Vector
Kết thúc nhóm câu Question 81 - 82
Question 83 - 84
.Dựa vào thông tin đã cho trả lời các câu hỏi
Trong không gian
Pháp tuyến của mặt phẳng
Vector nào sau đây song song với mặt phẳng
Kết thúc nhóm câu Question 83 - 84
Question 85 - 87
.Dựa vào thông tin đã cho trả lời các câu hỏi
Thể tích của lăng trụ tam giác $ABC.A'B'C'$ có đáy là tam giác đều cạnh
Độ dài đường cao của tam giác đều
Khoảng cách giữa hai mặt phẳng đáy
Thể tích của lăng trụ
Kết thúc nhóm câu Question 85 - 87
Question 88 - 90
.Dựa vào thông tin đã cho trả lời các câu hỏi
Trong không gian
Tọa độ điểm
Tọa độ điểm
Độ dài đường chéo
Kết thúc nhóm câu Question 88 - 90
Phần 3. Tư duy khoa học
Logic, phân tích số liệu:
Phần này có 12 câu hỏi từ 91 - 102
Question 91 - 94
.Dựa vào thông tin trả lời các câu hỏi
Trong một cuộc gặp gỡ ngẫu nhiên của 5 người bạn
Câu nào dưới đây không thể đúng?
Nếu
Số người
Nếu
Nếu
Kết thúc nhóm câu Question 91 - 94
Question 95 - 98
.Dựa vào thông tin trả lời các câu hỏi
Khối 12 của một trường THPT chọn ra 5 học sinh lần lượt là C, E, F, M, Q xếp đội hình thành một hàng ngang từ trái sang phải để chuẩn bị cho buổi biểu diễn văn nghệ của trường. Dưới đây là các thông tin ghi nhận được từ các học sinh trên:
- C, M, Q là nữ, E, F là nam.
- M đứng trước Q.
- E đứng ở vị trí thứ hai hoặc thứ ba.
- Học sinh đứng thứ nhất là nữ.
Thứ tự (từ trái qua phải) của các học sinh phù hợp với các thông tin được ghi nhận là
Nếu
M đứng trước F.
E đứng trước Q.
M đứng thứ nhất.
C đứng sau F.
Nếu học sinh đứng thứ 3 là nam và M, Q đứng kề nhau thì câu nào sau đây đúng?
Không thể có 2 bạn nữ kề nhau và 2 bạn đứng kề nhau là nam.
Các bạn nam và nữ kề nhau đều nhau.
C đứng thứ 1 và F đứng thứ 4.
E đứng trước M và Q hoặc đứng sau M và Q.
Giả sử theo thứ tự từ trái sang phải có
Vị trí thứ
Vị trí thứ
F có thể đứng vị trí thứ
Vị trí thứ
Kết thúc nhóm câu Question 95 - 98
Question 99 - 102
.Dựa vào thông tin trả lời các câu hỏi
Có số liệu về tình hình sản xuất năm 2023 của hai phân xưởng thuộc công ty dệt Ba Con Cừu số liệu cho trong bảng sau:

Tỷ lệ trung bình sản lượng vải loại 1, tính chung cho cả hai phân xưởng trong 6 tháng cuối năm là
Sản lượng vải không phải loại 1 của phân xưởng Bốn Mùa trong cả năm là bao nhiêu?
Trong 6 tháng cuối năm 2023, phân xưởng Mùa Thu dự kiến đạt sản lượng
Giảm
Tăng
Giảm
Tăng
Phân xưởng Bốn Mùa dự kiến sản xuất tổng cộng
Nhiều hơn
Giảm
Nhiều hơn
Giảm
Kết thúc nhóm câu Question 99 - 102
Suy luận khoa học:
Phần này có 18 câu hỏi từ 103 - 120
Question 103 - 105
.Dựa vào thông tin dưới đây để trả lời
Chuẩn độ là kỹ thuật phân tích cho phép xác định định lượng một chất hoà tan trong mẫu. Thí nghiệm chuẩn độ xác định lượng
Cho các phát biểu sau về thí nghiệm:
(I) Nếu chỉ có
(II) Trong quá trình chuẩn độ trên, cần nhỏ từ từ thuốc tím từ burette vào bình tam giác.
(III) Cần thêm chất chỉ thị để xác định thời điểm kết thúc.
(IV) Cần lặp lại thí nghiệm chuẩn độ 2 lần để đảm bảo kết quả.
Số phát biểu đúng là
2
1
4
3
Quy trình chuẩn độ phía trên thuộc loại chuẩn độ nào?
Chuẩn độ acid – base.
Chuẩn độ complexon.
Chuẩn độ oxi hóa – khử.
Chuẩn độ điện thế.
Có các nhận định sau về quy trình chuẩn độ
(I) Dùng bình erlen chứa thuốc tím, burette chứa dung dịch A.
(II) Dung dịch A có thể bảo quản dùng lại.
(III) Thêm vài giọt
(IV) Kết thúc khi màu tím rơi xuống không tan.
Số nhận định sai là:
2
1
4
3
Kết thúc nhóm câu Question 103 - 105
Question 106 - 108
.Dựa vào thông tin dưới đây để trả lời
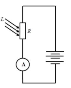
Quang điện trở hay quang trở, photoresistor, photocell, LDR (tiếng
Anh: Light - dependent resistor),là linh kiện điện tử chế tạo bằng chất
đặc biệt có điện trở thay đổi theo ánh sáng chiếu vào. Quang điện trở
thường được lắp với các mạch khuếch đại trong các thiết bị điều khiển
bằng ánh sáng, trong các máy đo ánh sáng. Trên hình vẽ, bộ pin có
suất điện động 9V, điện trở trong
có điện trở rất nhỏ; R là quang điện trở (khi chưa chiếu sáng giá trị là
R1 và khi chiếu sáng giá trị là
điện trở. Khi không chiếu sáng vào quang điện trở thì số chỉ của
miliampe kế là

Quang điện trở được cấu tạo bằng:
Chất bán dẫn và có đặc điểm điện trở tăng khi ánh sáng chiếu vào.
Kim loại và có đặc điểm điện trở giảm khi ánh sáng chiếu vào.
Chất bán dẫn và có đặc điểm điện trở giảm khi ánh sáng chiếu vào.
Kim loại và có đặc điểm điện trở tăng khi ánh sáng chiếu vào.
Nguyên tắc hoạt động của quang điện trở dựa vào:
Hiện tượng quang điện trong.
Hiện tượng tán sắc ánh sáng.
Hiện tượng phát quang của chất rắn.
Hiện tượng quang điện ngoài.
Giá trị của
Kết thúc nhóm câu Question 106 - 108
Question 109 - 111
.Dựa vào thông tin dưới đây để trả lời
Thịt thực vật (plant based meat) còn được gọi là thịt chay vì nó được làm hoàn toàn từ thực vật, không phải loại thịt có nguồn gốc động vật. Thành phần hóa học của loại thịt này về cơ bản gần giống thịt động vật. Chỉ có điều cấu tạo các đơn vị đạm, acid amin được chiết xuất từ các loại thực vật.
Thịt có nguồn gốc thực vật được sản xuất qua quy trình gồm những bước cơ bản như sau:
1. Các protein thực vật được chiết xuất và tinh chế để sản xuất thành bột, chất cô đặc và chất phân
lập. Có thể chúng sẽ được xử lý bằng cách thủy phân, đun nóng, liên hợp... để nâng cao chức năng.
2. Protein từ thực vật được kết hợp với các thành phần khác để tạo hương vị, màu sắc, kết cấu, độ
dai tương đồng với loại thịt động vật mà nó đang mô phỏng. Các chất dinh dưỡng cũng sẽ được bổ
sung để thịt thực vật có hàm lượng dinh dưỡng bằng hoặc cao hơn thịt động vật.
3. Hỗn hợp thành phần sẽ được chế biến qua nhiều công đoạn trộn, ép, đùn, tạo khuôn, cắt tỉa, in
3D... để thành phần có cấu trúc và đặc tính giống thịt thật.
4. Thịt từ thực vật thành phẩm được kiểm tra chất lượng, đóng gói, bảo quản và chuyển đi phân phối.
Một bộ phận người tiêu dùng cho rằng nhiều vấn đề về sức khỏe liên quan đến các bệnh mãn tính
có nguồn gốc từ thịt đỏ, mỡ động vật. Và họ cũng nhận ra rằng nếu sử dụng nhiều rau củ quả sẽ tốt
hơn cho sức khỏe nên chuyển dần sang dùng thịt nguồn gốc thực vật.
Một số nhà sản xuất có thể sử dụng hàm lượng chất phụ gia, dung môi hữu cơ cao trong thịt chay. Đây là những chất không có lợi cho sức khỏe. Trong một số loại thực vật có các độc tố tự nhiên do chính thực vật sản xuất ra để tự bảo vệ khỏi nấm, vi khuẩn, côn trùng... Ví dụ như chất lectin trong đậu trắng, đậu đỏ, glycoside cyanogen trong hạt lanh hay glycoalkaloid trong khoai tây. Các chất này có thể ít nhiều ảnh hưởng đến sức khỏe.
Quá trình sản xuất thịt thực vật chủ yếu bao gồm những bước nào?
Chiết xuất protein, kết hợp thành phần, chế biến và đóng gói.
Trồng trọt, thu hoạch, chế biến và đóng gói.
Nuôi cấy tế bào, lên men và đóng gói.
Sản xuất đông vật, chế biến và đóng gói.
Tại sao một số người tiêu dùng lựa chọn thịt thực vật?
Vì thịt thực vật có hương vị ngon hơn thịt động vật.
Vì thịt thực vật rẻ hơn thịt động vật.
Vì lo ngại về các vấn đề sức khỏe liên quan đến thịt đỏ và muốn có chế độ ăn lành mạnh hơn.
Vì muốn bảo vệ môi trường.
Theo đoạn văn, đâu là một trong những hạn chế của thịt thực vật?
Giá thành quá cao so với thịt động vật.
Vị không ngon bằng thịt động vật.
Có thể chứa các chất phụ gia và độc tố tự nhiên.
Quá trình sản xuất gây ô nhiễm môi trường.
Kết thúc nhóm câu Question 109 - 111
Question 112 - 114
.Dựa vào thông tin dưới đây để trả lời
“Việt Nam nằm ở khu vực Đông Nam Á – nơi có các tuyến đường giao thông quốc tế quan trọng, tài nguyên thiên nhiên phong phú, đa dạng về văn hóa và là nơi có nền kinh tế phát triển năng động trên thế giới; Lãnh thổ nằm hoàn toàn trong vùng nội chí tuyến của bán cầu Bắc, nơi thường xuyên chịu ảnh hưởng của gió mùa châu Á và gió Mậu dịch (Tín phong); Gần nơi giao nhau của các vành đai sinh khoáng lớn là Thái Bình Dương và Địa Trung Hải, nằm trên đường di cư của nhiều loài sinh vật từ các khu hệ sinh vật khác nhau; Nằm trong khu vực có nhiều thiên tai trên thế giới như: bão, áp thấp nhiệt đới, mưa lớn, lũ, ngập lụt, nắng nóng, hạn hán,… và chịu tác động mạnh mẽ của biến đổi khí hậu.”
Nước ta hằng năm nhận được nguồn bức xạ lớn do đâu?
Nằm trong vùng nội chí tuyến.
Chịu ảnh hưởng của gió mùa.
Tiếp giáp biển Đông rộng lớn.
Thiên nhiên nước ta phân hóa.
Nguồn tài nguyên sinh vật phong phú và đa dạng của Biển Đông đã tạo điều kiện để Việt Nam có thể phát triển ngành kinh tế nào?
Khai thác tài nguyên sinh vật biển.
Công nghiệp khai khoáng.
Sửa chữa và đóng tàu.
Giao thông hàng hải.
Việt Nam có kiểu khí hậu gì?
Ôn đới
Hàn đới
Cận nhiệt đới
Nhiệt đới ẩm gió mùa.
Kết thúc nhóm câu Question 112 - 114
Question 115 - 117
.Dựa vào thông tin dưới đây để trả lời
Từ cuối năm 1960, đế quốc Mỹ chuyển sang chiến lược “Chiến tranh đặc biệt” đối phó với cách mạng miền Nam. Đó là chiến lược dùng quân đội ngụy tay sai làm công cụ tiến hành chiến tranh, có sự chỉ huy, cố vấn của Mỹ về quân sự, hậu cần, phương tiện chiến tranh, nhằm dồn cách mạng miền Nam vào các trại tập trung, tách lực lượng cách mạng ra khỏi nhân dân. Cuộc đấu tranh của nhân dân miền Nam chuyển sang giai đoạn mới, từ khởi nghĩa từng phần lên chiến tranh cách mạng, kết hợp song song cả đấu tranh vũ trang và đấu tranh chính trị, làm phá sản chiến lược “Chiến tranh đặc biệt” của đế quốc Mỹ và tay sai. Ở miền Bắc, các mặt trận kinh tế, văn hóa, an ninh - quốc phòng đều có bước phát triển mới. Quân và dân miền Bắc thực hiện kế hoạch 5 năm lần thứ nhất, vừa sản xuất vừa sẵn sàng chiến đấu và chi viện cho miền Nam.
Trước nguy cơ phá sản của “Chiến tranh đặc biệt”, đế quốc Mỹ chuyển sang chiến lược “Chiến tranh cục bộ”, sử dụng quân đội Mỹ là lực lượng cơ động chủ yếu tiêu diệt bộ đội chủ lực ta. Chúng dùng nguỵ quân, nguỵ quyền để bình định, kìm kẹp nhân dân, âm mưu đánh bại cách mạng miền Nam trong vòng 25–30 tháng (từ giữa năm 1965 đến hết năm 1967), đẩy mạnh chiến tranh phá hoại miền Bắc bằng không quân và hải quân.
Trên chiến trường miền Nam, quân và dân ta đánh bại chiến lược Mỹ ngay từ những trận đầu khi chúng vừa đổ bộ vào. Tiếp theo những trận thắng oanh liệt ở Núi Thành, Vạn Tường, Plâyme, Đất Cuốc, Bàu Bàng... là làn sóng phản công của quân và dân miền Đông Nam Bộ, miền Tây Nguyên, miền Tây Khu V, Đường 9, đồng bằng Nam Bộ và các mục tiêu chủ yếu của địch ở các thành phố lớn. Quân dân miền Bắc tiếp tục đánh trả cuộc tiến công của Mỹ bằng không quân và hải quân, giành những thắng lợi lớn trên nhiều mặt, bảo đảm giao thông thông suốt, chi viện sức người, sức của ngày càng lớn cho tiền tuyến miền Nam. Cuộc Tổng tiến công và nổi dậy Tết Mậu Thân năm 1968 của quân dân ta đã giáng một đòn mạnh mẽ vào chiến lược “Chiến tranh cục bộ” của đế quốc Mỹ, buộc chúng phải xoay hướng chiến tranh.
(Nguồn: qdnd.vn)
Đặc điểm chính của chiến lược “Chiến tranh đặc biệt” mà Mỹ áp dụng ở miền Nam Việt Nam là gì?
Dùng quân đội Mỹ làm lực lượng chủ lực, tập trung đánh phá miền Bắc.
Dùng quân đội ngụy là chủ yếu, kết hợp các quân lực và cố vấn để tiến hành chiến lược.
Kết hợp lực lượng Mỹ và ngụy quyền miền Nam cùng tiến hành chiến lược.
Dựa vào miền Bắc tiến hành phá hoại miền Nam bằng không quân và hải quân.
Cuộc Tổng tiến công và nổi dậy Tết Mậu Thân năm 1968 có tác động như thế nào đến chiến lược “Chiến tranh cục bộ” của Mỹ?
Giúp Mỹ giành thế chủ động trên chiến trường miền Nam.
Làm suy yếu chiến lược bình định của Mỹ và ngụy quyền.
Buộc Mỹ phải xuống thang chiến tranh và chuyển sang chiến lược khác.
Khiến Mỹ tăng cường chiến tranh phá hoại miền Bắc để trả đũa.
So sánh chiến lược “Chiến tranh đặc biệt” và “Chiến tranh cục bộ” của Mỹ, điểm khác biệt lớn nhất là gì?
Lực lượng chủ yếu mà Mỹ sử dụng trên chiến trường.
Phạm vi chiến tranh chỉ giới hạn ở miền Nam Việt Nam.
Phương pháp đấu tranh của quân dân ta để đánh bại chiến lược.
Sự can thiệp của các nước đồng minh vào chiến tranh Việt Nam.
Kết thúc nhóm câu Question 115 - 117
Question 118 - 120
.Dựa vào thông tin dưới đây để trả lời
Khảo sát của Ngân hàng Nhà nước năm 2024 cho thấy, 63% người dân tại các khu vực thành thị sử dụng dịch vụ ngân hàng số, trong khi con số này ở nông thôn chỉ đạt 35%. Một trong những rào cản lớn nhất là sự thiếu kiến thức về công nghệ và lo ngại về an toàn thông tin. Tuy nhiên, các ngân hàng đang triển khai nhiều chương trình giáo dục tài chính và đầu tư công nghệ bảo mật để khuyến khích người dân sử dụng dịch vụ ngân hàng số.
Nguồn: Báo Tài chính Ngân hàng
Tại sao tỷ lệ người dân nông thôn sử dụng dịch vụ ngân hàng số thấp hơn so với thành thị?
Do thiếu kiến thức công nghệ và lo ngại về an toàn thông tin.
Vì người dân nông thôn không có nhu cầu sử dụng ngân hàng.
Vì dịch vụ ngân hàng số không được triển khai ở nông thôn.
Vì người dân không tin tưởng vào hệ thống ngân hàng.
Các ngân hàng đang làm gì để khuyến khích người dân sử dụng dịch vụ ngân hàng số?
Tăng lãi suất tiết kiệm.
Giáo dục tài chính và đầu tư vào công nghệ bảo mật.
Miễn phí toàn bộ các giao dịch ngân hàng.
Không triển khai thêm dịch vụ nào mới.
Người dân nên làm gì để tận dụng lợi ích của ngân hàng số?
Tìm hiểu về công nghệ và các biện pháp an toàn thông tin.
Sử dụng dịch vụ ngân hàng để giảm rủi ro.
Chỉ sử dụng dịch vụ ngân hàng truyền thống.
Phụ thuộc hoàn toàn vào nhân viên ngân hàng.
Kết thúc nhóm câu Question 118 - 120
Xem đáp án và bài mẫu
Answer key
Đọc đoạn trích sau và trả lời câu hỏi:
"Nửa đêm hôm ấy, Thạch Sanh đang lim dim đôi mắt thì Chằn tinh sau miếu hiện ra, nhe nanh giơ vuốt định vồ lấy chàng. Thạch Sanh với lấy búa đánh lại. Chằn tinh hóa phép thoắt biến, thoắt hiện, nhưng Thạch Sanh không núng, chàng cũng giở phép tấn công liên tiếp. Chỉ một lúc sau, yêu quái bị lưỡi búa của chàng xả làm đôi, hiện nguyên hình là một con trăn lớn. Chàng vội chặt lấy đầu và nhặt bộ cung tên bằng vàng của yêu quái xách về."
(Truyện cổ tích Việt Nam, Thạch Sanh)
Trong đoạn trích, điều nào sau đây không phù hợp với phong cách ngôn ngữ của truyện cổ tích?
Chằn tinh thoắt biến, thoắt hiện, thể hiện sự huyền bí.
Thạch Sanh dùng lưỡi búa tiêu diệt Chằn tinh và nhặt cung tên vàng.
Thạch Sanh sử dụng chiến thuật hiện đại để đánh bại yêu quái.
Sự đối đầu giữa người anh hùng và yêu quái mang tính phi thường.
Giải thích câu 1
Giải thích chi tiết
✅ Đáp án: Thạch Sanh sử dụng chiến thuật hiện đại để đánh bại yêu quái.
🔎 Lí do:
✔️ Câu hỏi thuộc dạng: Nhận diện sự không phù hợp về phong cách trong văn bản truyện cổ tích
✔️ Truyện cổ tích thường sử dụng yếu tố kì ảo, thần bí và những hành động đơn giản, trực tiếp chứ không dựa vào chiến thuật hiện đại
✔️ Cụm từ “chiến thuật hiện đại” không phù hợp với thời đại và đặc điểm của truyện dân gian – đây là một yếu tố ngoại lai với thể loại này
✔️ Dẫn chứng từ văn bản cũng không nhắc đến việc Thạch Sanh dùng chiến thuật, mà chỉ mô tả hành động đơn giản như “với lấy búa đánh lại” hoặc “giở phép tấn công” – đều mang tính thần kì hơn là tư duy hiện đại
🚨 Những đáp án còn lại thì sao?
❌Chằn tinh thoắt biến, thoắt hiện, thể hiện sự huyền bí.: Phù hợp với truyện cổ tích vì chi tiết biến hóa là yếu tố kỳ ảo quen thuộc
❌Thạch Sanh dùng lưỡi búa tiêu diệt Chằn tinh và nhặt cung tên vàng.: Đây là hành động rõ ràng, phản ánh cuộc chiến giữa người và yêu quái – hợp lý trong truyện cổ tích
❌Sự đối đầu giữa người anh hùng và yêu quái mang tính phi thường.: Hoàn toàn phù hợp với mô típ anh hùng trong truyện cổ tích – thể hiện sự phi thường, kì ảo


